100N12場效應管參數,100N12規格書,100N12引腳圖,100N12中文資料pdf代替

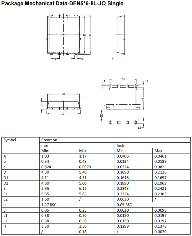
100N12 PDFN5×6-8L封裝參數:點擊查看

100N12場效應管參數具體如下:
封裝類型:PDFN5×6-8L
極性:NPN
極性:NPN
漏極電流:100A
功率耗散:227W
反向傳輸電容Crss:12pF
柵極源極擊穿電壓:±20V
擊穿電壓:120V
存儲溫度:-55℃~+150℃
引腳數:8Pin
導通電阻ID=20A,VGS=10V:Typ 6mΩ Max 7.5mΩ
導通電阻ID=A,VGS=V:Typ mΩ Max mΩ
工作溫度:-55℃~+150℃
安裝類型:SMT
二、作用與應用
100N12場效應管的核心作用是作為電子開關使用。在電路中,它通過控制柵極電壓來調節漏源路徑上的電流流動,實現對負載的精確控制。由于其出色的電氣性能,100N12廣泛應用于以下領域:
電源管理:100N12可用于電源管理,如電源轉換和電池保護。
高保真放大器:在音頻放大器中,100N12可以提供高保真的音質放大。
電機驅動:適用于低電壓、大電流的小型伺服電機控制或功率MOSFET門驅動器。
邏輯電路:100N12可用于實現數字邏輯功能,如與、或、非等邏輯門。
負載驅動:100N12可用于驅動大功率負載,如繼電器、LED等。
三、PDFN5x6-8L封裝特點
100N12采用PDFN5x6-8L封裝,這是一種塑料封裝,具有以下特點:
緊湊型封裝設計:PDFN5x6-8L封裝極大優化了占位面積和重量,適合空間受限的應用。
極低的封裝厚度:PDFN5x6-8L封裝的厚度低,有助于提高電路板的堆疊效率。
Clip銅夾封裝技術:散熱性能優異,有助于高功率應用中的熱管理。
降低封裝阻抗及感抗:PDFN5x6-8L封裝大大減少了封裝阻抗和感抗,提高了器件的性能。
可靠性高,可焊性好:PDFN5x6-8L封裝的應用領域廣泛,符合RoHS標準,環保且可靠
100N12場效應管PDF5×6-8L封裝尺寸:

〈烜芯微/XXW〉專業制造二極管,三極管,MOS管,橋堆等,20年,工廠直銷省20%,上萬家電路電器生產企業選用,專業的工程師幫您穩定好每一批產品,如果您有遇到什么需要幫助解決的,可以直接聯系下方的聯系號碼或加QQ/微信,由我們的銷售經理給您精準的報價以及產品介紹
聯系號碼:18923864027
QQ:709211280


